- Параметры
- Описание
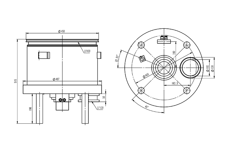
- Размеры
- Графики
- Скачать
- Входной порт
-
DN400 ISO-K
- Выходной порт
-
DN100
- Скорость откачки (л/с)
-
N2: 3500, He: 2750, H2: 1300, Ar: 3300
- Коэффициент компрессии
-
N2: 1×108, He: 1×103, H2: 5×102, Ar: 1×108
- Предельное давление (Па)
-
2×10-6
- Максимальное постоянное выпускное давление (Па)
-
100
- Максимальное выпускное давление (Па)
-
N2: 300
- Максимальный поток газа (см3/мин)
-
N2: 5500, He: 4000, H2: 3200, Ar: 2100
- Скорость вращения (об/мин)
-
13 500
- Время запуска (мин)
-
≤18
- Охлаждение
-
Водяное
- Расход охлаждающей воды (л/мин)
-
≥1
- Температура охлаждающей воды (oC)
-
≤25
- Напряжение питания (В)
-
24 ПТ, 220, 50 Гц
- Максимальная мощность (Вт)
-
≤1100
- Модель контроллера
-
FD-III, TCDP-III
- Рекомендуемая скорость откачки форвакуумного насоса (л/с)
-
30
- Вес (кг)
-
130
KYKY FF-400/3500B представляет собой турбомолекулярный насос, в котором используется высокоскоростной подшипниковый узел с консистентной смазкой четвертого поколения. Этот насос разработан для создания и поддержания сверхвысокого вакуума в ответственных применениях, где особенно важны надежность и чистота вакуумной среды.
Технические особенности и преимущества
Важной особенностью насоса является его подшипниковая система. Верхний и нижний подшипники рассчитаны на предельную скорость вращения 150 000 об/мин и 95 000 об/мин соответственно, но обеспечивают стабильную работу ротора с номинальной скоростью 13 500 об/мин. Ресурс работы подшипников до повторного обслуживания превышает 35 000 часов для верхнего и 40 000 часов для нижнего подшипника, что значительно снижает затраты на обслуживание и увеличивает время наработки на отказ. Система демонстрирует исключительно низкий уровень газовыделения (менее 3×10-11 мбар·л/с) и низкий уровень вибрации (класс балансировки G0.4/G0.6), что необходимо для чувствительных процессов и исследований. Насос обладает высокой устойчивостью к сложным условиям эксплуатации, включая работу в магнитных полях до 8 Тесла, в радиационной среде и при термических ударах в диапазоне от -196oC до +200oC.
Варианты исполнения и система управления
Производитель предлагает специализированные исполнения насоса для различных отраслей: низковибрационная версия для литографических установок, антирадиационная модель для ускорителей частиц и версия для работы в криогенных условиях (4K) для квантовых вычислений. Для промышленности доступна высоконадежная версия, рассчитанная на непрерывную работу 24/7. Управление насосом осуществляется через внешние программируемые контроллеры, такие как FD-III или TCDP-III, которые обеспечивают питание, плавный пуск, мониторинг рабочих параметров и защиту системы.
| Имя файла | Тип | Дата | Размер файла |

