- Параметры
- Описание
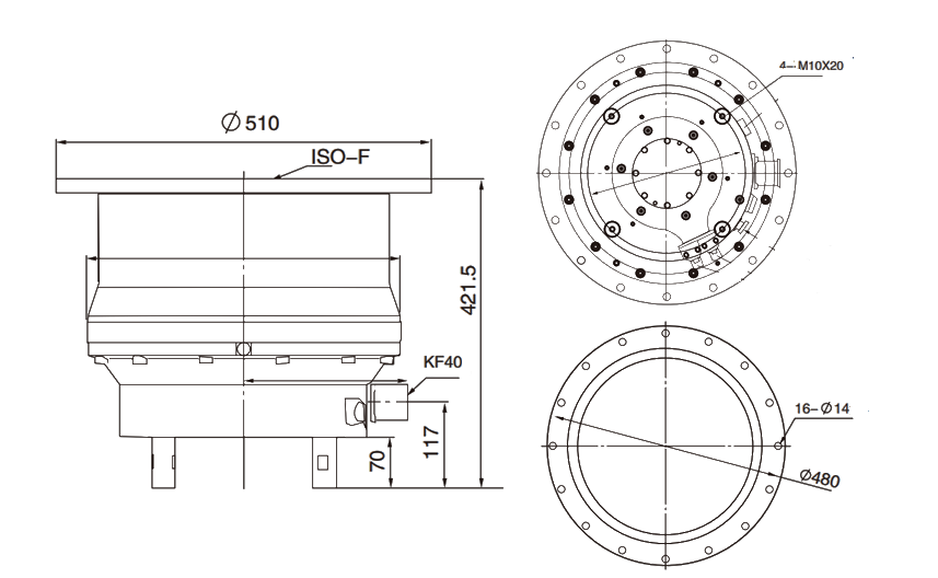
- Размеры
- Графики
- Скачать
- Входной порт
-
DN400 ISO-F
- Выходной порт
-
DN40
- Скорость откачки (л/с)
-
N2: 5000, He: 3550, H2: 2500, Ar: 4500
- Коэффициент компрессии
-
N2: 1×108, He: 1×104, H2: 1×103, Ar: 1×108
- Предельное давление (Па)
-
1×10-7
- Максимальное постоянное выпускное давление (Па)
-
100
- Максимальное выпускное давление (Па)
-
N2: 300
- Максимальный поток газа (см3/мин)
-
N2: 5500, He: 4000, H2: 3200, Ar: 2100
- Скорость вращения (об/мин)
-
21 000
- Время запуска (мин)
-
≤15
- Охлаждение
-
Водяное
- Расход охлаждающей воды (л/мин)
-
≥1
- Температура охлаждающей воды (oC)
-
≤25
- Напряжение питания (В)
-
24 ПТ, 220, 50 Гц
- Максимальная мощность (Вт)
-
≤1100
- Модель контроллера
-
CDP-IV
- Рекомендуемая скорость откачки форвакуумного насоса (л/с)
-
30
- Вес (кг)
-
98
110 (интегрированный контроллер)
KYKY FF-400/5000 представляет собой высокопроизводительный маслосмазываемый турбомолекулярный насос с механическим подвесом ротора на подшипниках качения, работающих в системе масляной ванны (картриджа). Эта система принципиально отличает его от насосов с консистентной смазкой или магнитным подвесом, а также определяет важную эксплуатационную особенность — необходимость строго вертикального положения при установке с допустимым отклонением не более ±5o. Такая ориентация необходима для обеспечения корректной работы масляной системы, которая должна гарантировать подачу смазки под нужным давлением ко всем узлам трения, эффективный отвод тепла и предотвращение "масляного голодания" подшипников. Для рассеивания значительной тепловой нагрузки насос использует водяное охлаждение с рекомендуемым расходом теплоносителя не менее 60 л/ч (1 л/мин) и температурой не выше 25oC.
Управление насосом осуществляется через внешний контроллер CDP-IV. Функционал контроллера включает плавный пуск с регулируемой скоростью разгона до номинальных 21 000 об/мин, точный контроль скорости, а также непрерывный мониторинг критических параметров работы. Контроллер обеспечивает защитное отключение при отклонении любого из параметров за установленные пределы. Для насосов аналогичного класса также может применяться контроллер FD-III. Различия между моделями контроллеров, как правило, заключаются в интерфейсах связи (например, RS-485 vs Ethernet), наличии аналоговых входов/выходов и уровне интеграции в АСУ ТП.
Насос показывает высокий коэффициент сжатия для азота — 1×108, что обеспечивает быстрое достижение высокого вакуума. Для водорода степень сжатия находится на уровне 1×103, а для гелия — 1×104. Скорость откачки в 5000 л/с по азоту делает данный насос эффективным решением для крупных вакуумных систем. При этом скорость откачки легких газов, таких как водород, составляет 2500 л/с, а для гелия — 3550 л/с. Для работы требуется форвакуумный насос со скоростью откачки ~110-140 м3/ч.
Среди недостатков конструкции с масляной смазкой, помимо уже упомянутого требования к вертикальному монтажу, что ограничивает вариативность компоновки, необходимо отметить обязательное периодическое обслуживание масляной системы. Оно включает регулярный контроль уровня и состояния масла, а также его плановую замену, что увеличивает эксплуатационные расходы и трудозатраты по сравнению с безмасляными аналогами, например, насосами на магнитном подвесе. Кроме того, существует невозможность перекачки отдельных видов газов, способных вступить в реакцию со смазкой.
| Имя файла | Тип | Дата | Размер файла |

